Programming #
The NORVI IIOT-AE01-R includes a mini USB port for serial communication with the SoC for programming. You can program the controller using any ESP32-supported IDE. Follow this guide to program NORVI ESP32-based controllers using the Arduino IDE.
SoC: ESP32-WROOM32
Programming Port: USB UART
Digital Inputs #
Wiring Digital Inputs #
The digital inputs of the NORVI IIOT-AE01-R support both sink and source configurations, and you must supply the inverse digital input polarity to the common terminal.

Programming Digital Inputs #
Reading the relevant GPIO of the ESP32 gives the value of the Digital Input. When the inputs are in the OFF state, the GPIO goes HIGH, and when the input is in the ON state, the GPIO goes LOW.
Refer to the GPIO allocation table in the Datasheet for the digital input GPIO.
#define INPUT1 18
void setup() {
Serial.begin(115200);
Serial.println("Device Starting");
pinMode(INPUT1, INPUT);
}
void loop() {
Serial.print(digitalRead(INPUT1));
Serial.println("");
delay(500);
}Relay / Transistor Output #
Wiring Relay Outputs #

Wiring Transistor Outputs #

Programming Relay/ Transistor Outputs
Reading the relevant GPIO of the ESP32 gives the value of the relay or transistor output. Refer to the GPIO allocation table in the Datasheet for the relay/transistor output GPIO.
#define OUTPUT1 14
void setup() {
Serial.begin(115200);
Serial.println("Device Starting");
pinMode(OUTPUT1 , OUTPUT);
}
void loop() {
digitalWrite(OUTPUT1, HIGH);
delay(500);
digitalWrite(OUTPUT1, LOW);
delay(500);
Serial.println("");
delay(500);
}RS-485 communication #
RS-485 Wiring #

| Driver | MAX485 |
| UART RX | GPIO3 |
| UART TX | GPIO1 |
| Flow Control | GPIO4 |
Programming RS-485 #
The NORVI IIOT-AE01 series shares the RS-485 UART connections with the USB serial UART connections.
NORVI-IIOT-AE01 and NORVI-IIOT-AE02 product ranges use RS485 communication and share the TX (Transmit) and RX (Receive) pins with the USB RX and TX pins. This design allows the same physical pins to handle both USB serial communication with a computer and RS485 communication.
As a result, direct use of serial print functions for communication is not possible when connected to such devices. An alternative solution would be to output the result to an OLED display, providing visual feedback on the data.
#include <Wire.h>
#include <Adafruit_SSD1306.h>
#include <Adafruit_GFX.h>
#define FC 4
#define RXD 3
#define TXD 1
#define SCREEN_WIDTH 128
#define SCREEN_HEIGHT 64
#define OLED_RESET -1
Adafruit_SSD1306 display(SCREEN_WIDTH, SCREEN_HEIGHT, &Wire, OLED_RESET);
void setup() {
Serial.begin(9600);
pinMode(FC, OUTPUT);
digitalWrite(FC, LOW);
Wire.begin(16, 17);
display.begin(SSD1306_SWITCHCAPVCC, 0x3C);
display.display();
}
void loop() {
Serial1.println(F("RS485 01 SUCCESS"));
while (Serial.available()) { // Check if data is available
char c = Serial.read(); // Read data from RS485
display.clearDisplay();
display.setTextColor(WHITE);
display.setTextSize(1);
display.setCursor(0, 12);
display.print(c);
delay(100);
display.display();
}
}Built-in OLED Display #
| Display driver | SSD1306 |
| Communication | I2C |
| Module Address | 0x3C |
| Resolution | 128 x 64 |
Refer to the GPIO allocation table in the datasheet for the I2C GPIO of the OLED Display.
Library supported by the Adafruit_SSD0306 Library.
Wire.begin (SDA, SCL); is required to initialize I2C on correct pins.
Programming OLED Display #
#include <SPI.h>
#include <Wire.h>
#include <Adafruit_GFX.h>
#include <Adafruit_SSD1306.h>
#define SCREEN_WIDTH 128 // OLED display width, in pixels
#define SCREEN_HEIGHT 64 // OLED display height, in pixels
// Declaration for an SSD1306 display connected to I2C (SDA, SCL pins)
#define OLED_RESET -1 // Reset pin # (or -1 if sharing Arduino reset pin)
Adafruit_SSD1306 display(SCREEN_WIDTH, SCREEN_HEIGHT, &Wire, OLED_RESET);
void setup() {
Wire.begin(16,17);
if(!display.begin(SSD1306_SWITCHCAPVCC, 0x3C)) { // Address 0x3C for 128x64
Serial.println(F("SSD1306 allocation failed"));
for(;;); // Don't proceed, loop forever
}
// Show initial display buffer contents on the screen --
// the library initializes this with an Adafruit splash screen.
display.display();
delay(2000); // Pause for 2 seconds
}
void loop() {
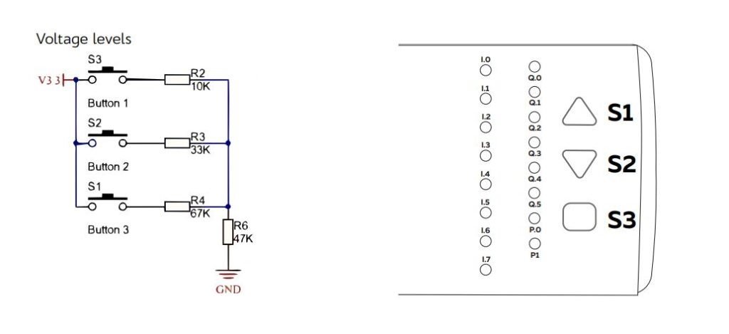
}Built-in Buttons #
| Read mode | ADC (Analog to Digital Conversion) |
| Analog IO | GPIO32 |

Programming Buttons #
#define buttonPin 32
int buttonState = 0;
void setup() {
Serial.begin(9600);
pinMode(buttonPin,INPUT);
}
void loop() {
Serial.print("Button: ");
buttonState = analogRead(buttonPin);
delay(50);
Serial.print(analogRead(buttonPin));
Serial.print("\tAnalog: ");
delay(1000);
}USB and Reset #
