Product Features #

- Optically Isolated Transistor Outputs
- Supports up to loads of 36V DC
- 300mW Power Dissipation
- MCP23008 Port Expander
- Address Configurable Over DIP Switch
Expansions Supported
- Open Collector Transistor Outputs

Main #
| Range of Product | NORVI Expansion |
| Product Type | Expansion Module |
| Certifications | EN 61131-2:2007 EN 61010-1:2010+A1:2019 EN IEC 61010-2-201:2018 2014/30/EU- Electromagnetic Compatibility (EMC) Annex III, Part B, Module C |
| Rated supply voltage | 24V DC |
| Communication | I2C |
| Inputs and Outputs | 16 x Open Collector Transistor Outputs |
| Displays and Visual Indicators | 1 LED green |
Complementary #
| Product Unified Code | NORVI EX-Q16 |
| Product Part Numbers | NORVI EX-Q16 |
Mechanical Properties #
| Enclosure | NORVI 204 |
| Mounting / Installation Method | DIN RAIL / MOUNTING TABS |
| Terminal Type | Top hat type TH35-15 rail conforming to IEC 60715 Top hat type TH35-7.5 rail conforming to IEC 60715 Plate or panel with fixing kit |
| Terminal Arrangement | Top and Bottom |
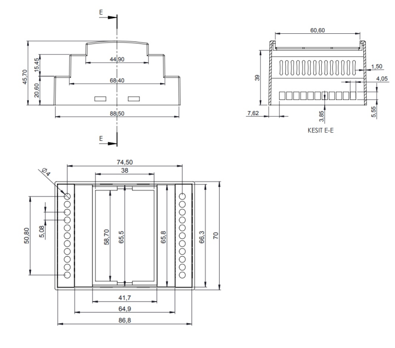
| Length | 90.50 mm |
| Height | 56.60 mm |
| Width | 60.60 mm |

Environment #
| IP degree of protection | IP20 |
| Operating altitude | 0 – 2000 meters |
| Operating Temperature | – –10 … +85° C (14…185 °F) |
| Storage altitude | 0 – 3000 meters |
| Shock resistance | 15 gn for 11ms |
| Resistance to electrostatic discharge | 4kV on contact 8kV on air |
| Resistance to electromagnetic fields | 10 V/m (80 MHz …… 1GHz) 3 V/m (1.4 MHz …… 2 GHz) 1 V/m (2 MHz …… 3 GHz) |
Electrical Characteristics #
Grid Powered Devices #
| Rated Supply Voltage (V) | 24V DC |
| Current Consumption (mA) | 400mA |
| Recommended Power Source | 1A, 24V DC |
Processing #
| SOC / MCU | 16-bit-I/O Expander with Serial Interface |
| Module | MCP23017T-E_SO |
| Operating supply voltage | 2.4V to 3.6V |
| I2C SDA | GPIO16 |
| I2C SCL | GPIO17 |
INPUTS and OUTPUTS #
Transistor Outputs #
| Number of Transistor Outputs | 16 |
| Transistor Output Type | OPEN COLLECTOR |
| Maximum Sink/Source Current (mA) | 100mA |
| Maximum Applicable Voltage | 36V DC |
| Maximum Switching Frequency | 1 kHz |
| Terminal Arrangement | T1 – GPA0 T2 – GPA1 T3 – GPA2 T4 – GPA3 T5 – GPA4 T6 – GPA5 T7 – GPA6 T8 – GPA7 T9 – GPB0 T10 – GPB1 T11 – GPB2 T12 – GPB3 T13 – GPB4 T14 – GPB5 T15 – GPB6 T16 – GPB7 |
I2C Address Setting #
The I2C address of the expansion module can be configured by switching DIP switches at the bottom of the expansion module. The device can be configured at 8 I2C addresses using the first 3 DIP switches.

Expansion Port #

| PIN | ESP32 Connection |
| 1 | TXD0 |
| 2 | GPIO25 |
| 3 | RXD0 |
| 4 | AUX1 |
| 5 | GPIO15 |
| 6 | NRST |
| 7 | SCL2 |
| 8 | AUX2 |
| 9 | SDA2 |
| 10 | GND |