Product Features #

- ESP32-WROOM32 Module
- Built-in 0.96 OLED Display
- microSD Card Support
- DS3231 RTC with Battery Backup
- Ethernet via W5500
- Built-in Button on the front panel
- Digital Inputs
- Analog Inputs
- DIN-Rail mount
Expansions Supported
- Analog Input
- Digital Input
- Analog Output
Main #
| Range of Product | NORVI ENET |
| Product type | Programmable Controller |
| Certifications | EN 61131-2:2007 EN 61010-1:2010+A1:2019 EN IEC 61010-2-201:2018 2014/30/EU- Electromagnetic Compatibility (EMC) Annex III, Part B, Module C |
| Rated supply voltage | 24V DC |
| Communication | WiFI / Bluetooth |
| Inputs and Outputs | 8 x Digital Inputs 4 x Analog Inputs 0-10V |
| Displays and Visual Indicators | 0.96 OLED Display and Indicators |
Complementary #
| Product Unified Code | NORVI ENET-AE06-V |
| Product Part Numbers | NORVI ENET-AE06-V |
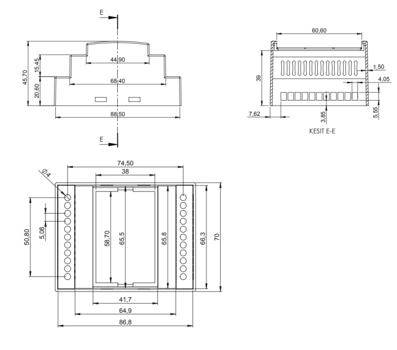
Mechanical Properties #
| Enclosure | NORVI 204 |
| Mounting / Installation Method | DIN RAIL / MOUNTING TABS |
| Terminal Type | SCREW TERMINAL |
| Terminal Arrangement | Top and Bottom |
| Length | 90.50 mm |
| Height | 56.60 mm |
| Width | 60.60 mm |

Environment #
| IP degree of protection | IP20 |
| Operating altitude | 0–2000 meters |
| Operating Temperature | – –10 … +85° C (14…185 °F) |
| Storage altitude | 0 – 3000 meters |
| Shock resistance | 15 gn for 11ms |
| Resistance to electrostatic discharge | 4kV on contact 8kV on air |
| Resistance to electromagnetic fields | 10 V/m (80 MHz …… 1GHz) 3 V/m (1.4 MHz …… 2 GHz) 1 V/m (2 MHz …… 3 GHz) |
Electrical Characteristics
#
Grid-powered devices #
| Rated Supply Voltage (V) | 24V DC |
| Current Consumption (mA) | 400mA |
| Recommended Power Source | 1A 24V DC |
Processing #
| SOC / MCU | ESP-WROOM32 |
| Flash Memory | 4MB |
| ROM | 448 KB |
| SRAM | 520 KB |
| PSRAM | NOT AVAILABLE |
Peripherals #
Built-in Buttons #
| Button 1 Pin | GPIO36 Analog Input Level 1 |
| Button 2 Pin | GPIO36 Analog Input Level 2 |
| Button 3 Pin | GPIO36 Analog Input Level 3 |
microSD Card support #
| Card Type | microSD |
| Interface | SPI |
| SD CARD CS | GPIO5 |
| MISO | GPIO19 |
| MOSI | GPIO23 |
| SCLK | GPIO18 |
| SD Detect | NOT CONNECTED |
Internal RTC #
| RTC Chip | DS3231 |
| Backup Battery Type | CR2032 |
| Interface | I2C |
| I2C Address | 0x68 |
| SCL Pin | GPIO17 |
| SDA Pin | GPIO16 |
OLED Display #
| Display Driver | SSD1306 |
| Display Size | 0.96 inch |
| SCL Pin | GPIO17 |
| SDA Pin | GPIO16 |
| RESET Pin | NOT CONNECTED |
INPUTS and OUTPUTS #
Digital Inputs #
| Number of Digital Inputs | 8 |
| Digital Input Polarity | Sink and Source |
| Digital Input Maximum Voltage | 32V DC |
| Digital Input Minimum Voltage | 18V DC |
| Maximum Switching Frequency | 1 kHZ |
| Terminal Arrangement | Digital Input 0 – GPIO21 Digital Input 1 – GPIO14 Digital Input 2 – GPIO33 Digital Input 3 – GPIO34 Digital Input 4 – GPIO35 Digital Input 5 – GPIO25 Digital Input 6 – GPIO32 Digital Input 7 – GPIO22 ![]() |
Analog Inputs #
| Number of Analog Inputs | 4 |
| Analog Input Measurement Range | 0-10V |
| Analog Input Maximum Voltage | 38V DC |
| Analog to Digital Converter (ADC) | ADS1115 |
| Analog-to-Digital Converter (ADC) Communication | I2C |
| Analog to Digital Converter (ADC) Address | 0x48 |
| Terminal Arrangement | A0 : Analog Input 0 – ADS1115 – 0x48 – AIN0 A1 : Analog Input 1 – ADS1115 – 0x48 – AIN1 A2 : Analog Input 2 – ADS1115 – 0x48 – AIN2 A3 : Analog Input 3 – ADS1115 – 0x48 – AIN3 ![]() |
Communication Channels #
Ethernet SPI – W5500 #
| Transceiver | W5500 |
| Speed | 10BaseT/100BaseTX |
| Supports auto-negotiation | Yes |
| TX/RX Buffer Size | Internal 32 Kbytes Memory |
| Supported Hardwired TCP/IP Protocols | TCP, UDP, ICMP, IPv4, ARP, IGMP, and PPPoE |
| Number of Simultaneous independent sockets | 8 |
| SCSn | GPIO26 |
| MISO | GPIO19 |
| MOSI | GPIO23 |
| SCLK | GPIO18 |
| RSTn | GPIO27 |
GPIO Map #
| GPIO | Description | Usage |
| 0 | Expansion Port | NRST |
| 1 | Expansion Port | TX0 |
| 2 | connected to on-board LED | |
| 3 | Expansion Port | RX0 |
| 4 | ||
| 5 | microSD Card | CS |
| 6 | connected to the integrated SPI flash | |
| 7 | connected to the integrated SPI flash | |
| 8 | connected to the integrated SPI flash | |
| 9 | connected to the integrated SPI flash | |
| 10 | connected to the integrated SPI flash | |
| 11 | connected to the integrated SPI flash | |
| 12 | boot fail if pulled high | |
| 13 | ||
| 14 | outputs PWM signal at boot | Digital Input 1 |
| 15 | Expansion Port | Pin 6 |
| 16 | Expansion Port, I2C | SDA |
| 17 | Expansion Port, I2C | SCL |
| 18 | microSD Card | SCLK |
| 19 | microSD Card | MISO |
| 20 | ||
| 21 | input only | Digital Input 0 |
| 22 | input only | Digital Input 7 |
| 23 | microSD Card | MOSI |
| 24 | ||
| 25 | input only | Digital Input 5 |
| 26 | RTC | SCSN |
| 27 | RSTn | |
| 28 | ||
| 29 | ||
| 30 | ||
| 31 | ||
| 32 | input only | Digital Input 6 |
| 33 | input only | Digital Input 2 |
| 34 | input only | Digital Input 3 |
| 35 | input only | Digital Input 4 |
| 36 | Buttons | |
| 37 | ||
| 38 | ||
| 39 | input only |
Expansion Port #

| PIN | ESP32 Connection |
| 1 | Not Conncted |
| 2 | TX0 |
| 3 | 5V |
| 4 | RX0 |
| 5 | BOOT GPIO0 |
| 6 | GPIO15 |
| 7 | 3.3V |
| 8 | SCL GPIO17 |
| 9 | Ground |
| 10 | SDA GPIO16 |

