The EC-M12-BC-C6-C-C is a rugged, IP67-rated IoT telemetry unit designed for reliable outdoor and remote monitoring applications. Powered by high-capacity non-rechargeable lithium batteries, it delivers years of autonomous operation even in harsh environments.
Built on the ultra-low-power STM32L072CZT6 MCU, the device supports multi-network cellular connectivity for seamless data transmission. It also integrates directly with two industrial digital input (DI) interfaces, making it ideal for use in utilities, environmental monitoring, agriculture, and industrial asset management.
- Rugged Outdoor Design
- IP67 weatherproof enclosure for reliable operation in rain, dust, and extreme outdoor environments
- Industrial-grade connectors with cable gland for secure field deployment
- Cellular Connectivity
- Multi-band modem: 2G / Cat-M / Cat-NB (NB-IoT)
- Available with SIM7070 module for wide coverage and low-power IoT data transfer
- Power Supply
- Two ER34615H lithium batteries (19,000 mAh each)
- Total capacity: 38,000 mAh
- Non-rechargeable, optimized for multi-year, maintenance-free operation
- System Functions
- Built-in Reset Button
- Battery Isolation Switch (supports operation on USB power only)
- microSD storage expansion
- Accessories
- Industrial cable gland connector for sealed field wiring
Applications #
- Agriculture & Smart Farming
- Environmental Monitoring
- Utilities & Infrastructure
- Industrial Asset Monitoring
- Remote & Harsh Locations
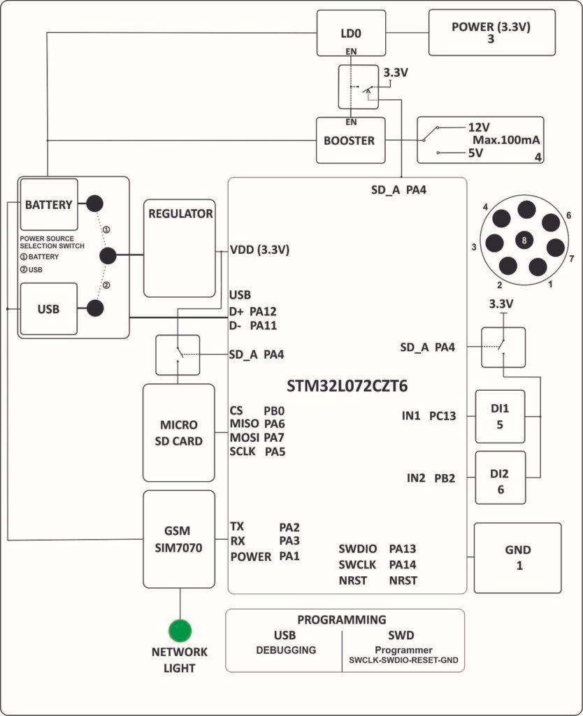
Product Block Diagram #

Technical Specifications #
Main #
| Range of Product | NORVI SENSOR NODE |
| Product Type | Programmable Sensor Node |
| Certifications | EN 61131-2:2007 EN 61010-1:2010+A1:2019 EN IEC 61010-2-201:2018 2014/30/EU- Electromagnetic Compatibility (EMC) Annex III, Part B, Module C |
| Rated supply voltage | Built-in Battery LiSoCL |
| Communication | SIMCOM SIM7070 – 2G / NB-IoT |
| Inputs | 2 x Digital Input |
| Sensor Power | 12V DC / 5V DC |
| Displays and Visual Indicators | Connectivity Indicator |
Complementary #
| Product Unified Code | EC-M12-BC-C6-C-C |
| Product Part Numbers | EC-M12-BC-C6-C-C |
Mechanical Properties #


| Enclosure | ABS + PolyCarbonate / IP67 |
| Mounting / Installation Method | Wall mount / Pole Mount |
| Terminal Type | M8 – 8 pin connector |
| Terminal Arrangement | ![]() |
| Length | 146.00 mm |
| Height | 50.00 mm |
| Width | 89.99 mm |
Environment #
| IP degree of protection | IP67 |
| Operating altitude | 2000 meters |
| Operating Temperature | –40 °C to +85 °C |
| Storage Temperature | –45 °C to +90 °C |
| Shock resistance | Operating: 30 g, 11 ms half-sine; Non-operating: 50 g, 11 ms |
| Resistance to electrostatic discharge | Not Applicable |
| Resistance to electromagnetic fields | VBAT/GND: ±5 kV / ±10 kV Antenna: ±5 kV / ±10 kV USB: ±4 kV / ±8 kV UART: ±4 kV / ±6 kV Other pads: ±1 kV / ±2 kV |
Battery Powered Devices #
| Battery Nominal Voltage | 3.6V |
| Battery Capacity | 19000 mAh @ 2.0mA Drain |
| Chemistry of the Battery | Lithium Thionyl Chloride |
| Maximum Continuous Discharge Current | 150mA |
| Maximum Pulse Discharge Current | 300mA |
| Charging source maximum voltage | Not Rechargeable |
Processing #
| SOC / MCU | STM32L072CZT6TR |
| Flash Memory | 192KB Flash |
| ROM | 6 KB |
| SRAM | 20 KB |
| PSRAM | Not available |
Peripherals #
microSD Card support #
| Card Type | microSD |
| Interface | SPI |
| SD CARD CS | PB0 |
| MISO | PA6 |
| MOSI | PA7 |
| SCLK | PA5 |
| SD Detect | Not Implemented |
INPUTS and OUTPUTS #
Digital Inputs #
| Number of Digital Inputs | 2 |
| Digital Input Measurement Range | DI – SELECTION 0 -OFF 1 – 3.3V 2 – 5V 3 – 12V ![]() |
| Terminal Arrangement | ![]() |
Cellular Modem #
| Modem | SIMCOM 7070 |
| Technology | LTE Cat-M1 NB-IoT (NB1/NB2) GSM/GPRS fallback (2G) |
| Coverage / Supported Bands | (B1/B2/B3/B4/B5/B8/B12/B13/B18/B19/B20/B26/B27/B28/B66) for Cat-M/NB, plus quad-band GSM (850/900/1800/1900 MHz). |
| Data Rate | LTE Cat-M1: up to 588 kbps DL / 1119 kbps UL NB-IoT: up to 26 kbps DL / 62.5 kbps UL GPRS: 85.6 kbps DL / UL |
| Power Control | PA1 – Active High |
| RX with MCU | PA2 |
| TX with MCU | PA3 |
GPIO Map #
| GPIO | Description |
|---|---|
| PA0 | Not Utilized |
| PA1 | GSM Power Key |
| PA2 | Modem TX with MCU |
| PA2 | Modem TX with MCU |
| PA3 | Modem RX with MCU |
| PA4 | Power Enable |
| PA5 | SD Card SCLK |
| PA6 | SD Card MISO |
| PA7 | SD Card MOSI |
| PA8 | Not Utilized |
| PA9 | Not Utilized |
| PA10 | Not Utilized |
| PA11 | USB_N |
| PA12 | USB_P |
| PA13 | SWDIO |
| PA14 | SWCLK |
| PA15 | Not Utilized |
| PB0 | SD Card Chip Select |
| PB1 | Battery Voltage Monitor |
| PB2 | Digital Input |
| PB3 | Not Utilized |
| PB4 | Not Utilized |
| PB5 | Not Utilized |
| PB6 | Not Utilized |
| PB7 | Not Utilized |
| PC13 | Digital Input |


