Product Features #

- ESP32-WROOM32 Module
- Built-in 0.96 OLED Display
- Built-in Button on the front panel
- Digital Inputs
- Relay Outputs
- Transistor Outputs
- DIN-Rail mount
Expansions Supported
- Digital Input
- Transistor Output
- Relay Output
Main
#
| Range of Product | NORVI IIOT |
| Product type | Programmable Controller |
| Certifications | EN 61131-2:2007 EN 61010-1:2010+A1:2019 EN IEC 61010-2-201:2018 2014/30/EU- Electromagnetic Compatibility (EMC) Annex III, Part B, Module C |
| Rated supply voltage | 24V DC |
| Communication | WiFi 2.5GHz / Bluetooth RS-485 |
| Inputs and Outputs | 8 x Digital Inputs 6 x Relay Outputs 2 x Transistor Outputs |
| Displays and Visual Indicators | 0.96 OLED Display and Indicators |
Complementary #
| Product Unified Code | NORVI IIOT-AE01-R |
| Product Part Numbers | NORVI IIOT-AE01-R |
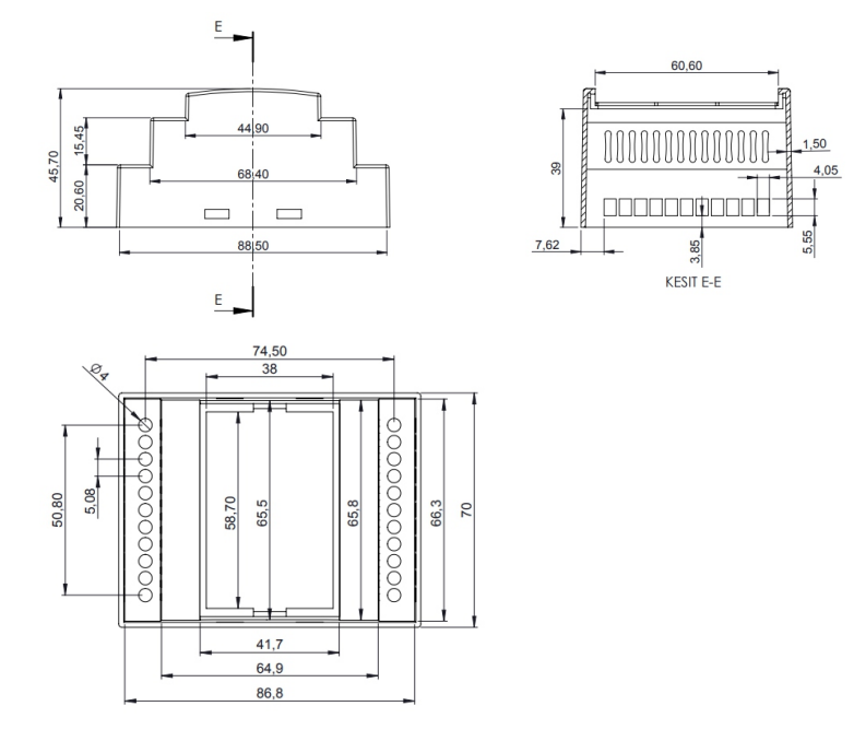
Mechanical Properties #
| Enclosure | NORVI 204 |
| Mounting / Installation Method | DIN RAIL / MOUNTING TABS |
| Terminal Type | SCREW TERMINAL |
| Terminal Arrangement | Top and Bottom |
| Length | 90.50 mm |
| Height | 56.60 mm |
| Width | 60.60 mm |

Environment #
| IP degree of protection | IP20 |
| Operating altitude | 0–2000 meters |
| Operating Temperature | – -10… +85° C (14…185 °F) |
| Storage altitude | 0–3000 meters |
| Shock resistance | 15 gn for 11ms |
| Resistance to electrostatic discharge | 4 kV on contact 8 kV on air |
| Resistance to electromagnetic fields | 10 V/m (80 MHz …… 1GHz) 3 V/m (1.4 MHz …… 2 GHz) 1 V/m (2 MHz …… 3 GHz) |
Electrical Characteristics #
Grid Powered Devices #
| Rated Supply Voltage (V) | 24V DC |
| Current Consumption (mA) | 400mA |
| Recommended Power Source | 1A 24V DC |
Processing #
| SOC / MCU | ESP32-WROOM32 |
| Flash Memory | 4MB |
| ROM | 448 KB |
| SRAM | 520 KB |
| PSRAM | NOT AVAILABLE |
Peripherals #
Built-in Buttons #
| Button 1 Pin | GPIO32 Analog Input Level 1 |
| Button 2 Pin | GPIO32 Analog Input Level 2 |
| Button 3 Pin | GPIO32 Analog Input Level 3 |
OLED Display #
| Display Driver | SSD1306 |
| Display Size | 0.96 inch |
| SCL PiN | GPIO17 |
| SDA Pin | GPIO16 |
| RESET Pin | NOT CONNECTED |
INPUTS and OUTPUTS #
Digital Inputs #
| Number of Digital Inputs | 8 |
| Digital Input Polarity | Sink and Source |
| Digital Input Maximum Voltage | 32V DC |
| Digital Input Minimum Voltage | 18V DC |
| Maximum Switching Frequency | 1 kHZ |
| Terminal Arrangement | Digital Input 0 – GPIO18 Digital Input 1 – GPIO39 Digital Input 2 – GPIO34 Digital Input 3 – GPIO35 Digital Input 4 – GPIO19 Digital Input 5 – GPIO21 Digital Input 6 – GPIO22 Digital Input 7 – GPIO23 ![]() |
Transistor Outputs #
| Number of Transistor Outputs | 2 |
| Transistor Output Type | OPEN COLLECTOR |
| Maximum Sink/Source Current (mA) | 100mA |
| Maximum Applicable Voltage | 40V DC |
| Maximum Switching Frequency | 1 kHz |
| Terminal Arrangement | T0.0 – GPIO26 T0.1 – GPIO27 ![]() |
Relay Outputs #
| Number of Relay Outputs | 6 |
| Relay Output Type | Normally Open / SPST / Electro-mechanical |
| Contact Current Rating (Resistive) | 5 A 30V DC/250V AC |
| Maximum Contact Voltage | 270V AC, 125V DC |
| Maximum Switching Frequency | 60 Hz |
| Terminal Arrangement | Relay Output 0 – GPIO14 Relay Output 1 – GPIO12 Relay Output 2 – GPIO13 Relay Output 3 – GPIO15 Relay Output 4 – GPIO2 Relay Output 5 – GPIO33 ![]() |
Communication Channels #
RS-485 Communication #
| Communication Mode | HALF-DUPLEX |
| Transceiver | MAX485 |
| Unit Load | 1/4 |
| Flow Control / Direction Control Pin | GPIO4 |
| TX Pin | GPIO1 |
| RX Pin | GPIO3 |
| Terminal Arrangement | ![]() |
GPIO Map #
| GPIO | Description | Usage |
| 0 | outputs PWM signal at boot | NRST |
| 1 | RS-485 | TX |
| 2 | Relay output 4 | |
| 3 | RS-485 | RX |
| 4 | RS-485 | Flow Control |
| 5 | ||
| 12 | Relay output 1 | |
| 13 | Relay output 2 | |
| 14 | Relay output 0 | |
| 15 | Relay output 3 | |
| 16 | SDA | I2C |
| 17 | SCL | I2C |
| 18 | input only | Digital Input 0 |
| 19 | input only | Digital Input 4 |
| 20 | ||
| 21 | input only | Digital Input 5 |
| 22 | input only | Digital Input 6 |
| 23 | input only | Digital Input 7 |
| 24 | ||
| 25 | Expansion Port | Pin 1 |
| 26 | Transistor output 0.0 | |
| 27 | Transistor output 0.1 | |
| 28 | ||
| 32 | Analog Input | Buttons |
| 33 | Relay output 5 | |
| 34 | input only | Digital Input 2 |
| 35 | input only | Digital Input 3 |
| 38 | ||
| 39 | input only | Digital Input 1 |
Expansion Port #

| PIN | ESP32 Connection |
| 1 | IO25 |
| 2 | TXD0 |
| 3 | NOT CONNECTED |
| 4 | RXD0 |
| 5 | BOOT IO0 |
| 6 | IO32 |
| 7 | 3.3V |
| 8 | SCL – GPIO17 |
| 9 | GROUND |
| 10 | SDA – GPIO16 |



